Flakpumpepatron PV2R
Avansert kamringdesign, støysvak drift, balansert hydraulisk design, presis bågevane-design, høy volumetrisk effektivitet.
- Funksjon
- Modellkode
- Relaterte produkter
| Finnerpumpe | PV2R |
| Anvendelse | Innstøpingsmaskiner, verktøymaskiner, anleggsutstyr, die-casting-maskiner, industriell maskineri |
| Slagvolum/Størrelse |
PV2R1:6, 8, 10, 12, 14, 17, 19, 23, 25, 28, 31 PV2R2:26, 33,41, 47,53 59,65, 75 PV2R3:52, 60, 66, 76,85, 94, 116, 125, 136, 153 PV2R4:136, 153, 184, 200, 237 |
| Styreetyper | Fast forskyvning |
| Maksimalt trykk | 21MPa |
| Maks hastighet | 1800RPM |
| Materiale | Støtt jern |
| Garanti periode | 1 År |







| Modellkode | |||
| PC- | PV2R1 | -23 | -R |
| Kassettkittmerke | Serie | Geometrisk utskiftning | Rotasjon |
|
PC-enkelt-pumpekassettkitt Dobbelt pumpe akselendepumpe patronsett PCT-Dobbelt pumpe deksel ende-pumpe patronsett |
PV2R1 | 6,8,10,12,14,17,19,23,25,28,31 | (Sett fra akselenden) R-hånd for med klokken, L-venstre hånd for mot klokken |
| PV2R2 | 26,33,41,47,53,59,65,75 | ||
| PV2R3 | 52,60,66,76,85,94,116,125,136,153 | ||
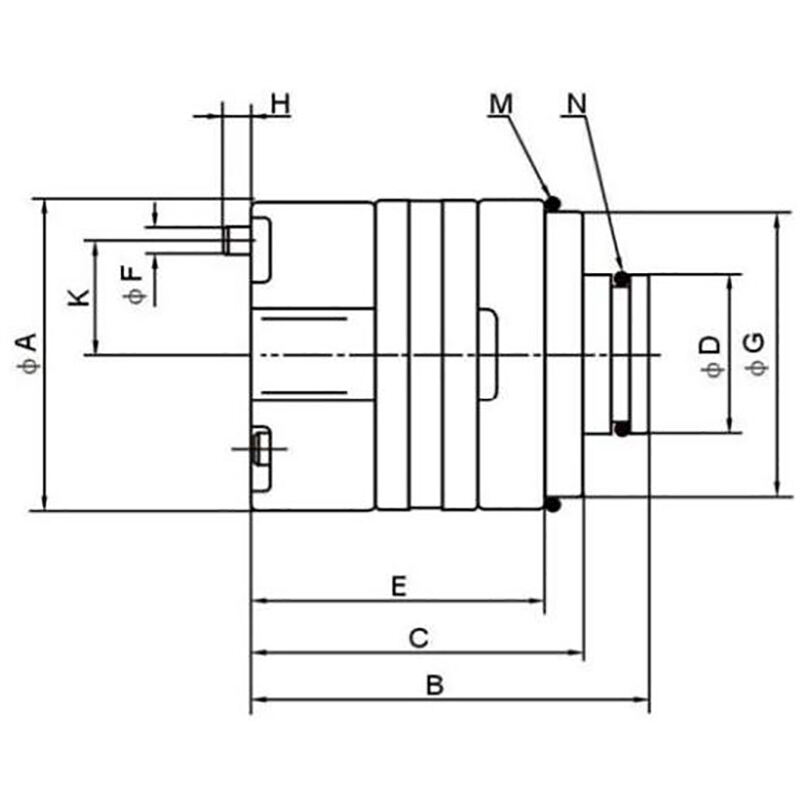
| Serie | En | B | C | D | E | F | G | H | K | M | N |
| PV2R1 | 68 | 84 | 70 | 35 | 62 | 6 | 62.7 | 5 | R25 | 59.4×3.1 | 29.4×3.1 |
| PV2R2 | 90 | 109 | 93 | 52 | 82 | 6 | 84.7 | 5 | R36 | 84.4×3.1 | 45.7×3.5 |
| PV2R3 | 120.5 | 127.5 | 106 | 72 | 94 | 8 | 115 | 8 | R48 | 114.4×3.1 | 65.0×3.5 |
| Indre tannformede parameter for rotor | ||||||
| Serie | Modul | Antall tenner | Trykkvinkel | Store diameter | Smådiameter | Spacingsbredde |
| PV2R1 | 0.75 | 24 | 45° | 19.05 | 17.55 | 1.328 |
| PV2R2 | 1.0 | 24 | 45° | 25.400 | 23.400 | 1.771 |
| PV2R3 | 1.0 | 28 | 45° | 29.400 | 27.400 | 1.771 |







