Flakpumpepatron T6
1. Med lokkpinnevingstruktur kan den fungere ved høyt trykk, lavt støynivå og lang levetid.
2. Denne vanevannpumpen kan håndtere hydraulisk medium med høy viskositet og kan startes ved lav temperatur og fungere ved høy temperatur.
3. Siden vanevannpumpen har en dobbel vane-struktur, har den god motstand mot oljeforurensning og et bredt hastighetsområde.
- Funksjon
- Modellkode
- Relaterte produkter
Høytrykk- og høytytende navlekammerpumper med dowel-pindesign brukes mye innen plastmaskiner, støpeanlegg, metallurgimaskiner, presseutstyr, raffineringsmaskiner, byggemaskiner og skipsmaskineri.
Egenskaper
1. Med lokkpinnevingstruktur kan den fungere ved høyt trykk, lavt støynivå og lang levetid.
2. Denne navlepumpen kan håndtere hydraulisk medium med bred viskositetsrekkevidde og kan startes ved lave temperaturer og fungere ved høye temperaturer.
3. Siden vanevannpumpen har en dobbel vane-struktur, har den god motstand mot oljeforurensning og et bredt hastighetsområde.
| Finnerpumpe | T6 |
| Anvendelse | Plastmaskiner, støpemaskiner, metallurgimaskiner, pressemaskiner, raffineringsmaskiner, anleggsutstyr, maritim maskineri. |
| Slagvolum/Størrelse |
T6C:03,05,06,08,10,12,14,17,20,22,25,28,31 T6D:14,17,20,24,28,31,35,38,42,45,50,61 T6E:42,45,50,52,57,62,66,72,85 |
| Styreetyper | pumper med fast deplasement |
| Maksimalt trykk | 2800 rpm |
| Materiale | støtt jern |








| T6-serien – kassettmodellbetegnelse | |||||
| (F3-) | PC- | T6D | -45 | R | -10 |
| Merk | Kassettkode | Serie | Strømningskode | Rotasjon | Designnummer |
|
Uten merking: Petroleumsole, emulgeringsvæske, glykolvæske F3: fosfatestervæske |
PC-kassettkitt for Enkelpumpe dobbelpumpe akselende PCT-kartongsett med dobbel pumpe dekkel |
T6C | 03,05,06,08,10,12,14,17,20,22,25,28,31 | (Vit fra akselenden av pumpe) R-høyre for med klokken, L-venstre for mot klokken | 10 |
| T6D | 14,17,20,24,28,31,35,38,42,45,50 | ||||
| T6E | 42,45,50,52,57,62,66,72,85 | ||||
| Data for aktuelle serier og modeller er ensartet. Se T6-serien – enkelt pumper data. | |||||
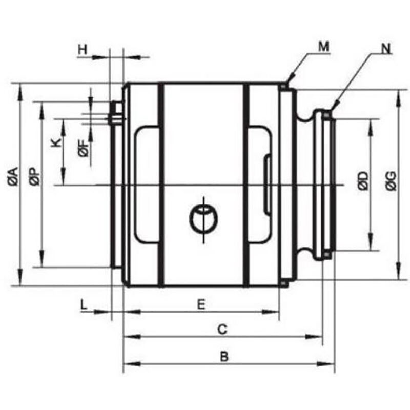
| Serie | φA | B | C | 中D | E | φF | φG | H | K | M (gummipakning) | N (gummipakning) | φP | L | ||||
| T6C | 95.25 | 99.4 | 93.9 | 61.9 | 73.6 | 4.8 | 89.3 | 4.8 | 43.7 | 88.5x3.53 | 60X3,53 | 77.7 | 5.5 | ||||
| T6D | 123.03 | 132.4 | 125.8 | 71.9 | 103 | 8.7 | 108.3 | 6.4 | 41.2 | 107,5X3,53 | 69.5×3.53 | ingen trinn | |||||
| T6E | 143.12 | 150.3 | 14.25 | 88 | 112.7 | 10.8 | 136.8 | 7.9 | 49.2 | 136,1x3,53 | 85,3x3,53 | ||||||
| Serie | Parametere for innvendig spline-tannprofil på rotor | ||||||||||||||||
| Antall tenn | Avstand | Trykkvinkel | Hoveddiameter | Lille diameter | |||||||||||||
| T6C | 28 | 40/80 | 45° | 18.87 | 17.4 | ||||||||||||
| T6D | 25 | 2448 | 45° | 28.19 | 25.82 | ||||||||||||
| T6E | 34 | 24/48 | 45° | 37.72 | 35.35 | ||||||||||||







