Flakpumpepatron V10 & V20
Lang levetid og gir fremragende toleranse overfor forurensning, noe som øker påliteligheten i krevende miljøer. Videre er den roterende patronegruppen en selvstendig enhet, noe som gjør vedlikehold og utskifting enkelt og bidrar til redusert nedetid.
- Funksjon
- Modellkode
- Relaterte produkter
| Finnerpumpe | V10 & V20 |
| Anvendelse |
1. små gaffeltruker 2. transportbånddrev 3. landbruksmaskiner for hjelpefunksjoner 4. spiller 5. løfter for trekk og heising5.emballasjemaskineri |
| Slagvolum/Størrelse | V10:1,2,3,4,5,6,7V20:6,7,8,9,10,11,12,13,14 |
| Styreetyper | / |
| Maksimalt trykk | 17,2 MPa |
| Maks hastighet | 4800rpm |
| Maksimalt flyt | / |
| Materiale | støtt jern |
| Garanti periode | / |






| Modellkode | ||||||||
| (F3-) | V10 | -P | 7 | S | -1 | C | 20 | -L |
| Prefiks | Serie | Innløpsportforbindelser | Kode | Utløpsportforbindelser | Aksler | Utløpsposisjoner | Design | Rotasjon |
|
Utelat-U bruke slitasjebestandig olje, glykolvæske F3- Fosfatestervæske |
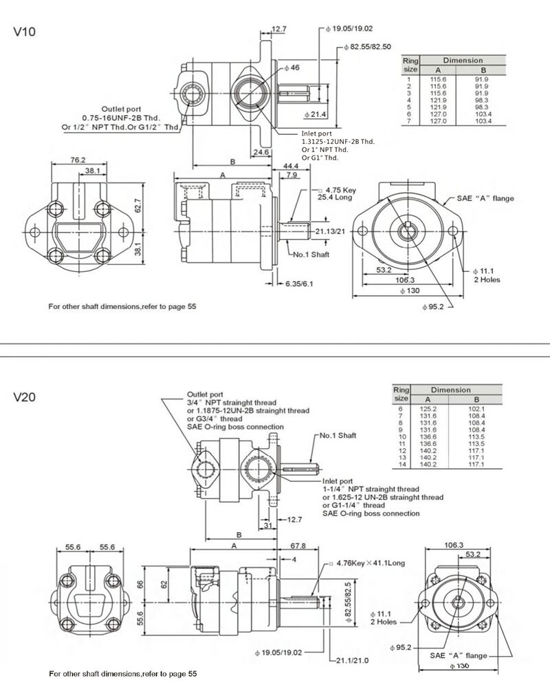
V10 |
P-1"NPT-gjenger S-1.3125-12 rett gjenge B-G1"-gjenge |
1,2,3,4,5,6,7 |
P-1/2" NPT-gjenge S-0.750-16 rett gjenge B-G1/2"-gjenge |
1-Str, Nøkkel 11-krans 38-11 tenner -3/4" ytre diameter 62-spleis (kun V20) |
(Sett fra pumpedekkelets ende) A-Motsatt inntak B-90° mot klokka fra inntak C-I linje med inntak D-90° mot klokka fra inntak |
20 |
(Sett fra akselenden av pumpe) L-Venstre hånd for mot klokka R-Høyre hånd for med klokka |
| V20 |
P-1-1/4" NPT-gjenger S-1,625-12 rett B-G1-1/4" gjenger |
6,7,8,910,11,12,13,14 |
P-3/4" NPT-gjenger S-1,1875-12 rett gjenge B-G3/4" gjenger |
10 | ||||
| Modell | Kode | Geometrisk forskyvning mL/r | Bruk motstøts olje eller fosfatester væske | Bruk av vann-glykolvæske | Bruk av vann-i-olje emulsjon | |||
| Maks trykk MPa | Maks fart r/min | Maks trykk MPa | Maks fart r/min | Maks trykk MPa | Maks fart r/min | |||
| V10 | 1 | 3.3 | 17.2 | 4800 | 12.4 | 1800 | 10.3 | 1800 |
| 2 | 6.6 | 4500 | ||||||
| 3 | 9.8 | 4000 | ||||||
| 4 | 13.1 | 3400 | ||||||
| 5 | 16.4 | 3200 | ||||||
| 6 | 19.5 | 15.2 | 3000 | 10.9 | ||||
| 7 | 22.8 | 13.8 | 2800 | |||||
| V20 | 6 | 19.5 | 17.2 | 3400 | 12.4 | 1800 | 10.9 | 1800 |
| 7 | 22.8 | 3000 | ||||||
| 8 | 26.5 | 2800 | ||||||
| 9 | 29.7 | |||||||
| 10 | 30.0 | |||||||
| 11 | 36.4 | 2500 | 10.9 | 9.3 | ||||
| 12 | 39 | 15.2 | 2400 | |||||
| 13 | 42.4 | |||||||
| 14 | 45 | |||||||





