Flakpumpepatron VQ
1. Bruker struktur med hydraulisk balansert sammensatte skover, som gir høyere motstand mot trykk opp til maksimalt 21 MPa.
2. Bruker struktur med flytende sideplatestøtte med funksjon for automatisk toleranseutjevning, noe som bidrar til trykkbalanse og høy ytelse ved høy omdreining og høyt trykk.
3. Bruker bimetallisk fleksibelt materiale for sideplater, som betraktelig forbedrer tannhjulenes inngrep og dermed gjør at pumpen fungerer bedre og lenger.
- Funksjon
- Modellkode
- Relaterte produkter
| Finnerpumpe | VQ |
| Anvendelse | Innmoldingsmaskiner, støpemaskiner, saksverktøy, anleggsutstyr, gummimaskiner |
| Slagvolum/Størrelse |
20VQ:2,3,4,5,6,7,8,9,10,11,12,14 25VQ:10,12,14,15,17,19,21 35VQ:21,25,30,32,35,38,45 45VQ:42,45,50,57,60,66,75 |
| Styreetyper | Fast forskyvning |
| Maksimalt trykk | 21MPa |
| Maks hastighet | 2700 |
| Materiale | støtt jern |
| Garanti periode | 1 År |











| Modellkode | |||||
| (F3-) | PC- | 20VQ | -5 | -R | -10 |
| Prefiks | Patronsett merke | Serie | Kode | Rotasjon | Design |
|
Utelat-bruk motværsoil vann glykol fluid F3-fosfatert ester fluid |
PC-enkelt-pumpekassettkitt Dobbel pumpeakselende pumpepatronsett PCT-Dobbelt pumpe deksel ende pumpepatronsett |
20VQ | 2,3,4,5,6,7,8,9,10,11,12,14 |
(Sett fra akselenden av pumpe R-Høyre for med klokken L-Venstre hånd for mot med klokken |
10 |
| 25VQ | 10,12,14,15,17,19,21 | ||||
| 35VQ | 21,25,30,32,35,38,45 | ||||
| 45VQ | 42,45,50,57,60,66,75 | ||||
| Merkekapasitet (USgpm) ved 1200 omdr./min, 0,69 MPa (100 psi) | |||||
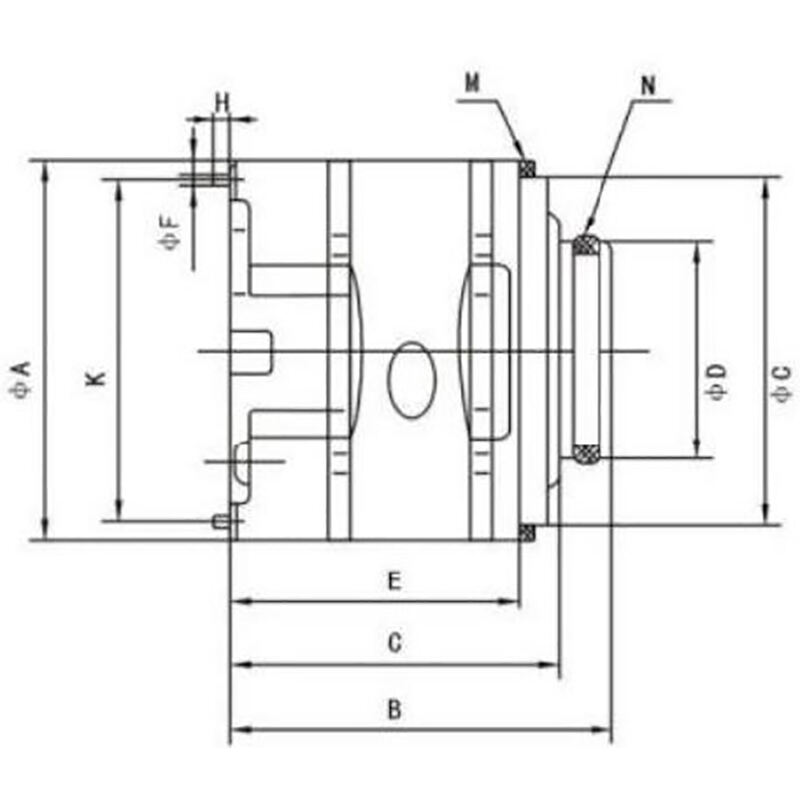
| Serie | En | B | C | D | E | F | G | H | K | M(Tetning) | (O-ring) | ||||
| 20VQ | 82.5 | 81.5 | 70.1 | 47 | 61.5 | 4.8 | 76.2 | 7 | 73.6 | 82.76×76.26×3.5 | 40×3.5 | ||||
| 25VQ | 96.8 | 98.8 | 87 | 52.2 | 71.2 | 4.8 | 90.5 | 7 | 88.19 | 97×91×3.5 | 44×3.53 | ||||
| 35VQ | 114.3 | 117.7 | 105 | 72.2 | 90.3 | 6.4 | 108 | 7 | 103.94 | 114.5×108.5×3.5 | 63.09×3.53 | ||||
| 45VQ | 133.35 | 141.1 | 129.6 | 80.2 | 105.5 | 6.4 | 127 | 11 | 133.35 | 133.6×127.6×3.5 | 71×3.55 | ||||
| Serie | Indre splintannform på rotor | ||||||||||||||
| Avstand | Antall tenn | Trykkvinkel | Hoveddiameter | Lille diameter | |||||||||||
| 20VQ | 48/96 | 30 | 45° | 16.617 | 15.56 | ||||||||||
| 25VQ | 48/96 | 40 | 45° | 21.9 | 20.86 | ||||||||||
| 35VQ | 40180 | 37 | 45° | 24.38 | 23.1 | ||||||||||
| 45VQ | 12/24 | 14 | 30° | 32.59 | 27.60 | ||||||||||







