Flakpumpepatron V
1. Den konstruerte strukturen av sammensatte skjærene reduserer innvirkningen på statoren, slik at pumpene får større stabilitet og lengre levetid ved arbeid under høyt trykk og høy hastighet
2. Den konstruerte strukturen av sammensatte skjær reduserer støyen. Designet med 12 skjær gir mindre strømningspuls og lavere støy.
3. Flere forskyvningsalternativer og patronkonstruksjon av pumpekjerne gir fleksibel bruk og enkel vedlikehold.
- Funksjon
- Modellkode
- Relaterte produkter
| Finnerpumpe | V |
| Anvendelse | plastinjeksjonsmaskiner, gummimaskiner, støpemaskiner, verkktøysindustri, etc. |
| Slagvolum/Størrelse |
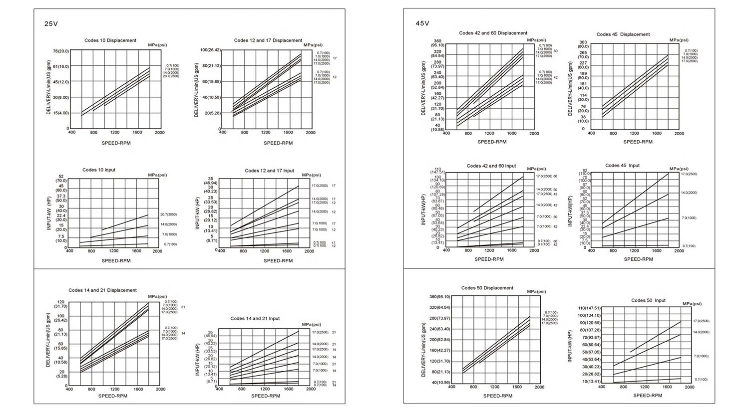
20V:2,3,4,5,6,7,8,9,10,11,12,14 25V:10,12,14,15,17,19,21 35V:21,25,30,32,35,38,45 45V:42,45,50,57,60,66,75 |
| Styreetyper | / |
| Maksimalt trykk | 20,7 MPa |
| Maks hastighet | 1800RPM |
| Maksimalt flyt | / |
| Materiale | støtt jern |
| Garanti periode | / |




| Modellkode | |||||
| (F3-) | PC- | 20V | -5 | -R | -10 |
| Plefix | Patronsett merke | Serie | Kode | Rotasjon | Design |
|
Ikke bruk ved anti-slit olje vann glykol fluid F3-fosfatestere fluid |
PC-enkelt-pumpekassettkitt Dobbelt pumpe akselendepumpe patronsett PCT-Dobbelt pumpe deksel ende-pumpe patronsett |
20V | 2,3,4,5,6,7,8,9,10,11,12,14 |
(Vist fra pumpeaksling) R-Høyre for med klokken V-Venstre for moturs |
10 |
| 25V | 10,12,14,15,17,19,21 | ||||
| 35V | 21,25,30,32,35,38,45 | ||||
| 45V | 42,45,50,57,60,66,75 | ||||
| Nominell kapasitet (USgpm) ved 1200 omdr./min, 0,69 MPa (100 psi). | |||||
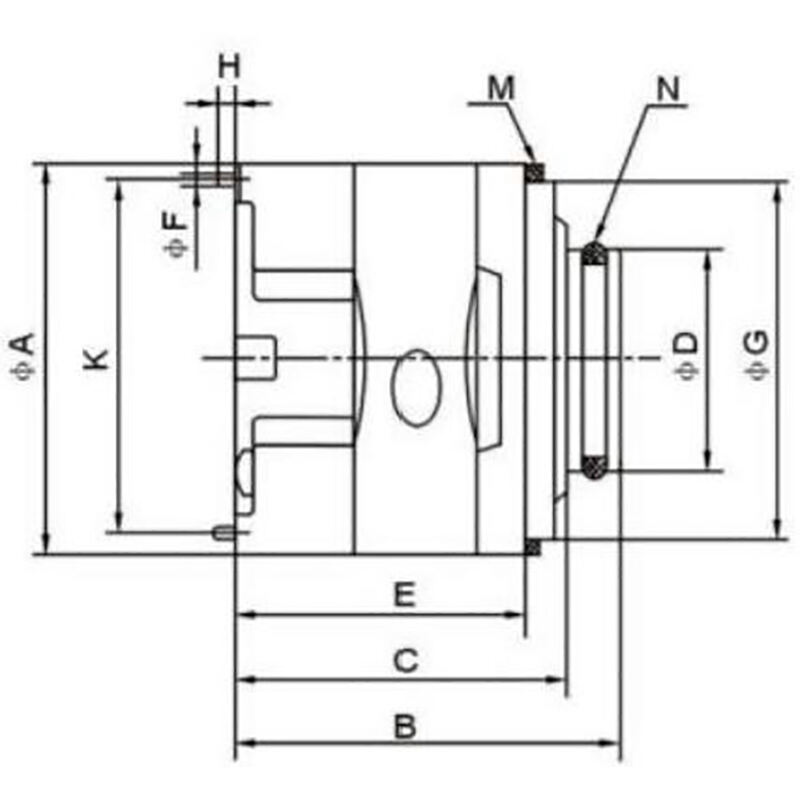
| Serie | En | B | C | D | E | F | G | H | K | M(Tetning) | N(O-ring) | ||||
| 20V | 82.5 | 81.5 | 70.1 | 47 | 61.5 | 4.8 | 76.2 | 6 | 73.6 | 82.76x76.26x3.5 | 40x3.5 | ||||
| 25V | 96.8 | 98.5 | 87 | 52.2 | 71.2 | 4.8 | 90.5 | 5 | 88.19 | 97x91x3.5 | 44x3.53 | ||||
| 35V | 114.3 | 117.7 | 105 | 72.2 | 90.3 | 6.4 | 108 | 6 | 103.94 | 114.5x108.5x3.5 | 63.09x3.53 | ||||
| 45V | 133.35 | 141.1 | 129.6 | 80.2 | 105.5 | 6.4 | 127 | 10 | 133.35 | 133,6x127,6x3,5 | 71x3,55 | ||||
| Serie | Indre splintannform på rotor | ||||||||||||||
| Avstand | Antall tenner | Trykkvinkel | Hoveddiameter | Lille diameter | |||||||||||
| 20V | 48/96 | 30 | 45° | 16.617 | 15.56 | ||||||||||
| 25V | 48/96 | 40 | 45° | 21.9 | 20.86 | ||||||||||
| 35V | 48/80 | 37 | 45° | 24.38 | 23.1 | ||||||||||
| 45V | 12/24 | 14 | 30° | 32.59 | 27.60 | ||||||||||







